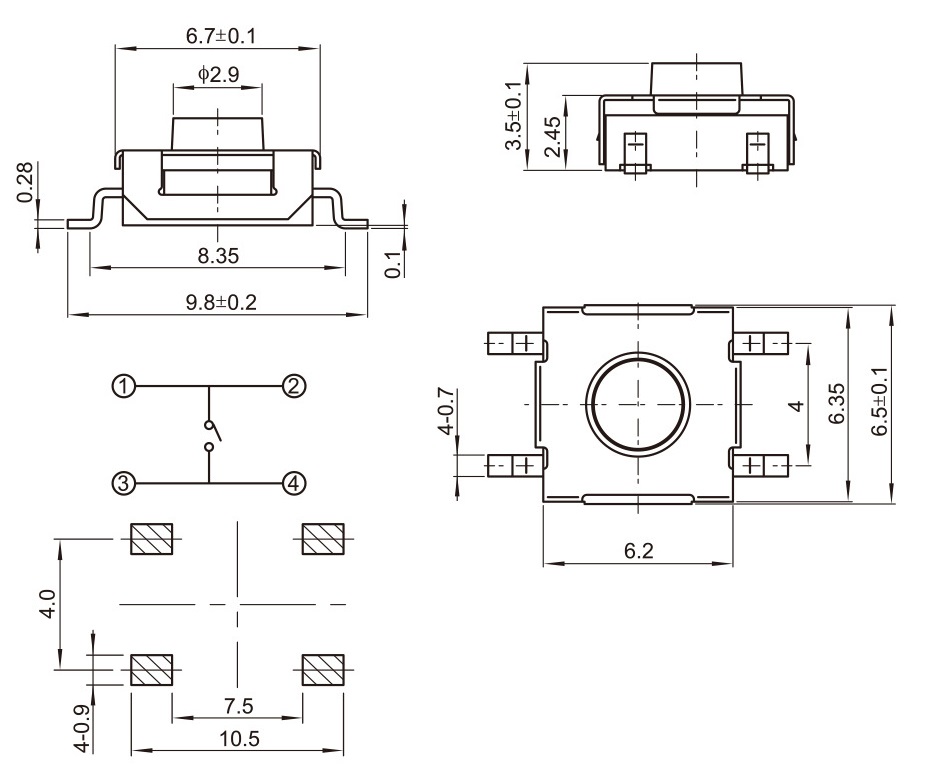
6.2x6.2x3.0MM贴片硅胶轻触开关,尺寸迷你,多种克力和按键高度可选,复位功能

额定电流:50mA 12 VDC
接触电阻:100mΩ(max)
绝缘电阻:100MΩ(min)
电气寿命:100,000 cycles
操作力:160±50gf、260±50gf
功能:复位

1.有贴片安装方式可选
2.不同高度可选


下一篇 : TC-626235A


