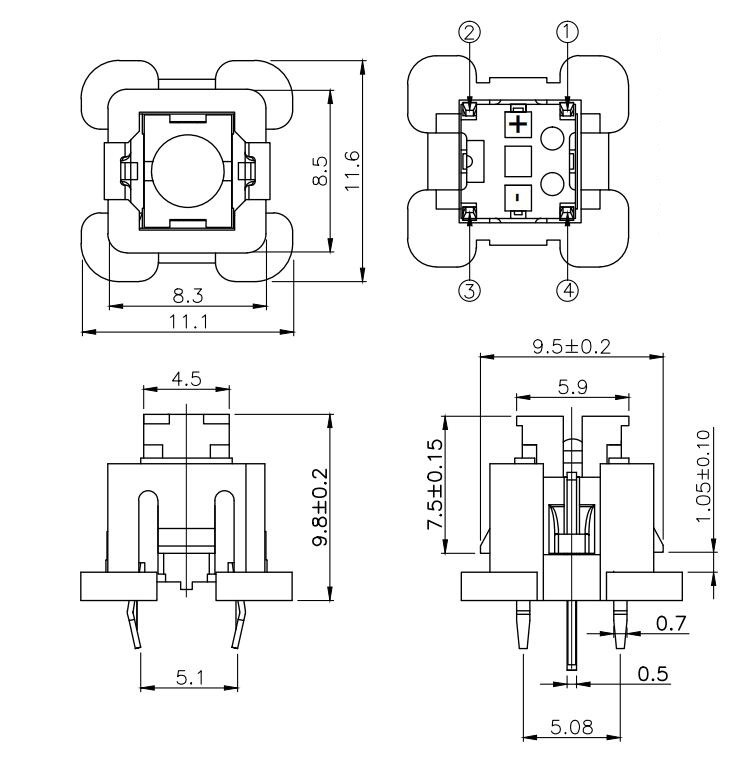
一体式带灯轻触开关
按键帽可定制镭雕图案字符等以及多种按键颜色,灯色多样化选择

产品特点
1.红,蓝,绿,白,黄,橙六种单色灯以及多种双色LED灯可选
2.多种按键帽可搭配
3.支持定制各种镭雕图案


上一篇: TS9-005W19TU
下一篇 : TS9-009AU1


